A wide-range medium-frequency plasma cleaner uses an excitation power source to ionize gas into a plasma state. This plasma acts on the product surface, cleaning away contaminants, increasing surface activity, and enhancing adhesion. Plasma cleaning is a novel, environmentally friendly, efficient, and stable surface treatment method.
Linear plasma generators are suitable for various confined spaces and can be customized to fit the width of the product, enabling continuous production.
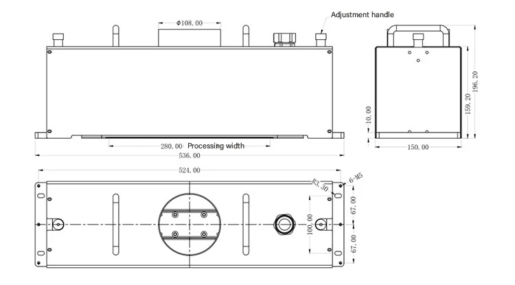
The standard processing temperature is <45°C. The insulating material on the outer layer of the high-voltage electrode (HV) further reduces the processing temperature of wide-width plasma equipment. Customizable to the width of the product, it can be directly installed on the production line, significantly improving processing efficiency. Utilizing a unique plasma generation structure, the standard processing temperature is <45°C, ensuring uniform and stable operation. Patented medium-frequency digital power supply guarantees uniform plasma and stable processing.
Application: 1. 3c industry: TP bonding, panel surface activation, and surface cleaning before ITO coating, effectively removing surface organic matter and impurities to enhance surface adhesion 2. Electronics industry: Organic cleaning and surface activation of FPC/PCB circuit boards to enhance surface wettability and increase the strength of soldering and adhesive bonding. 3. Semiconductor industry: integrated packaging bonding, wire bonding pre-treatment, ceramic packaging, BGA/LED surface activation, enhancing the fit of packaging, and improving the yield rate. 4. Plastics industry: surface modification, surface roughening, improving surface adhesion, and enhancing the quality of bonding and printing. 5. Glass cover industry: AF coating pretreatment, AF/AS overflow coating removal, ink printing, activating material surface structure, removing static electricity, dust and oil stains, improving hydrophilicity.
EN
AR
BG
CS
DA
NL
FI
FR
DE
EL
IT
KO
NO
PL
PT
RO
RU
ES
SV
TL
IW
ID
LT
SR
SL
UK
VI
ET
HU
TH
TR
FA
AF
MS
GA
IS
HY
AZ
KA



















